- Dapatkan link
- X
- Aplikasi Lainnya
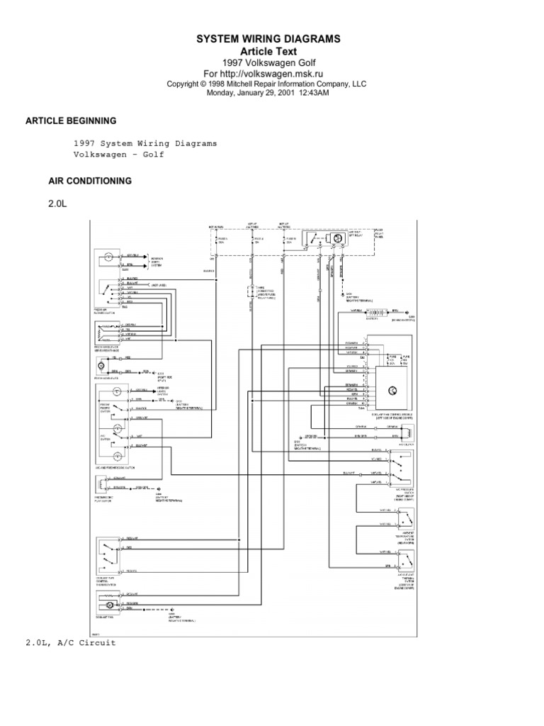
[28+] How To Read Automotive Wiring Pdf, Volkswagen Golf 1997 English Wiring Diagrams | Motor Vehicle
- Dapatkan link
- X
- Aplikasi Lainnya
How To Read Automotive Wiring Diagrams Pdf Vdo Tach Wiring 3 Pin
Mascott renault workshop master movano service diagrams manuals wiring global globalepc epc automotive software. Wiring starcraft f01 justanswer. Automotive diagrams author at wiring page 8
how to read automotive wiring diagrams pdf
Download PDF
Diagram mk3 immobiliser furthermore

Wiring diagram diagrams needed enlarge. 2020 discovery of automotive wiring diagram basics and to fix your ecm. Wiring diagrams automotive repair 2008 articles. Automotive wiring diagram electrical diagrams circuit vehicle ecm barina holden basics fix explained able should cars mechanic symbols isuzu npr
- Dapatkan link
- X
- Aplikasi Lainnya










Komentar
Posting Komentar